Регистрация | Вход
+7 (495) 660-36-20 / 8 800 333-11-43

ПН-ЧТ с 8:00 до 17:45, ПТ с 8:00 до 17:00
Показывать только из наличия

 

Каталог > Фурнитура для электронных устройств > Крепеж металлический (метизы) и пластиковый > Винты металлические > Винты невыпадающие с цилиндрической головкой и внутренним шестигранником по DIN7964(E)-1990 > BLNFSSIH-030180SS

BLNFSSIH-030180SS

BLNFSSIH-030180SS Винт невыпадающий с цилиндрической головкой и внутренним шестигранником по DIN7964(E)-1990; 3x18мм; сталь нержавеющая 304   BLNFSSIH-030180SS

Код: 398341

Наличие на складе МСК: под заказ
Наличие на удалённом складе: > 100000 шт
Доставка на наш склад в Москву за 1-3 недели

Цена розничная: 12,00 руб.
Цена мелкооптовая: 8,80 руб.
Цена оптовая - по запросу, с обязательным
указанием требуемого количества

Уважаемые покупатели! Из-за быстро меняющихся, независящих от нас обстоятельств, цены некоторых товаров могут оказаться недействительными. Актуальные цены просим уточнять у менеджеров.

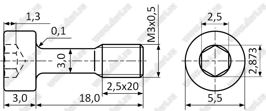
Винт невыпадающий с цилиндрической головкой и внутренним шестигранником по DIN7964(E)-1990; 3x18мм; сталь нержавеющая 304

Параметры:
Размеры: 3x18 мм
Резьба: M3x0,5
Длина L: 18,0 мм
Шаг резьбы P: 0,5 мм
Размер d: 3,0 мм
Размер b: 12 мм
Диаметр головки макс. dk макс: 5,5 мм
Диаметр головки мин. dk мин: 5,32 мм
Размер ds макс: 3 мм
Размер ds мин: 2,86 мм
Размер e min: 2,873 мм
Размер k макс: 3 мм
Размер k мин: 2,86 мм
Размер s ном: 2,5 мм
Размер s макс: 2,58 мм
Размер s мин: 2,52 мм
Размер t мин: 1,3 мм
Размер r мин: 0,1 мм
Номер отвертки номер отвертки: 2#
Материал: сталь нержавеющая 304

BLNFSSIH-030180SS Винт невыпадающий с цилиндрической головкой и внутренним шестигранником по DIN7964(E)-1990; 3x18мм; сталь нержавеющая 304